Hidden Hidden Hidden Hidden
instruNet i60x Datasheet
Miniature USB Data Acquisition System Attaches Directly to Sensors

 

i600/i601 Features Features

 

  • The i600/i601 USB Data Acquisition device connects a Windows computer to sensors and controls via analog inputs, digital inputs and digital outputs.
  • The i601 product provides ±36V bank electrical isolation; whereas the less costly i600 connects I/O signal ground to computer ground. i60x receives power from USB bus.
  • 16se/8di Voltage Input Channels with extremely accurate
    24-bit A/D Converter29
  • 4x Digital I/O (4mA sink/source, 0 to 3.3V)
  • Connect Directly To Sensors: VoltageThermocoupleThermistorRTDLoad Cell30Strain Gage30PotentiometerCurrentResistance
Product

 


 
 

Product Summary Summary

  • This A/D module provides 16se/8di voltage input channels (Ch#1...#16)40 , each of which are independently software programmable with Windows software that support the direct connection to many common sensor types
  • Voltage input range on each channel is independently software programmable to one of: ±20mV, ±40mV, ±80mV, ±150mV, ±300mV, ±600mV, ±1.2V, ±2.5V, ±5V, ±10V
  • Included is a mating Hd44 Female Connector & Cover. Alternatively, one can attach i600/i601 to the following optional wiring boxes: i510,  i511,  i512. If one is working with thermocouples, an i510 wiring box is required due to it’s internal cold junction compensation.
  • i600 and i601 are stand-alone USB data acquisition systems. No additional components, such as external power supply, are required. Included in the box: i60x Hardware Device, USB Cable, Software on CD, Mating Hd44 Female Connector & Hd44 Cover. For details, see the i60x Installation Guide.
  • Digitize at a maximum sample rate of 160K sample/sec for 1 channel, 12Ks/sec/ch for 2 channels, 6Ks/sec/ch for 4 channels, and 3Ks/sec/ch for 8 channels. For more details, see Voltage Accuracy.

  • Each channel provides the following software programmable parameters: A/D Signal-Averaging-Per-Point (0 ... 100mSec)3 , Sample-Rate (samples-per-second-per-channel)17 , Digital IIR Filter (LowPass, HighPass, BandPass, or BandStop)55 , Voltage Measurement Range (±20mV...±10V)1 , Sensor Type13 , and Single-Ended or Differential Wiring
  • Excitation power (+3.3V ±0.2V, <80mA, 28mA per sensor max) is provided for sensors30, along with other End User Power voltages. This 3.3V, which is referenced to instruNet Ground, is automatically readback by A/D when calculating sensor values.
  • The 4mA sink/source digital I/O port consists of 4 individual TTL-compatible lines (Ch#25...#28), each of which can be configured as: input or output bit45 . When configured as an input, a channel can be used to sense a digital high (2 to 5.5 Volts) or digital low (0V to 0.8Volts). When configured as an output, a channel can be set high (e.g. >2V) or low (e.g. <0.8V). These I/O pins are short-circuit protected against high voltages up to 6.0V and down to -6.0V.


 
Analog Voltage Input (A/D), iNet-600 & iNet-601

 

Parameter Specifications19 Notes
Description 16se/8di Voltage Input Channels with extremely accurate 24-bit A/D Converter29 This A/D module provides 16se/8di voltage input channels (Ch#1...#16), each of which are independently software programmable with Windows software that support the direct connection to many common sensor types
Absolute Accuracy Specified Error components (i.e. INL, DNL, linearity, noise, temperature drift66 , time stability) are summed and specified as "Absolute Accuracy" with the following supported sensors (click for accuracy and maximum sample rate): VoltageThermocoupleThermistorRTDLoad Cell30Strain Gage30PotentiometerCurrentResistance
Voltage Ranges ±20mV ... ±10V Voltage input range on each channel is independently software programmable to one of: ±20mV, ±40mV, ±80mV, ±150mV, ±300mV, ±600mV, ±1.2V, ±2.5V, ±5V, ±10V
Internal A/D 24-bit Internal 24-bit A/D Converter29 resolves voltage input range to ±8.4M digital value.
Sensors Direct Connect Each of the 8 differential channels support the direct connection to the following sensor types (click for Wiring Diagram and Setup Instructions): VoltageThermocoupleThermistorRTDLoad Cell30Strain Gage30PotentiometerCurrentResistance
Channel Amplifiers Software Programmable Each channel provides the following software programmable parameters: A/D Signal-Averaging-Per-Point (0 ... 100mSec)3 , Sample-Rate (samples-per-second-per-channel)17 , Digital IIR Filter (LowPass, HighPass, BandPass, or BandStop)55 , Voltage Measurement Range (±20mV...±10V)1 , Sensor Type13 , and Single-Ended or Differential Wiring
Wiring Single-Ended or Differential Single-ended (SE) wiring involves measuring the voltage between the input pin and instruNet Ground; whereas Differential (DI) wiring involves measuring the voltage between two input pins
Protected Voltage -30 to +30V Short any combination of voltage input channels to external -30 to +30V power source (i.e. capable of high current), instruNet power on or off, any duration, without damage
Bandwidth Depends on Voltage Range See absolute accuracy specification tables below (e.g. Voltage Accuracy) for bandwidth details
RFI Filter 13 KHz RFI filter
on ≤ ±150mVrange
RFI filter is a low pass filter that rejects high frequencies that could cause small measurement errors if left unfiltered
Digital Filter LowPass, HighPass, BandPass, or BandStop Each channel provides optional digital IIR lowpass, highpass, bandpass and bandstop filters with independent software programmable cut-off frequency, minimum dB stopband attenuation, maximum dB passband attenuation, and filter type (e.g. Elliptic, Chebyshev B, Chebyshev S, and Butterworth). Number of poles/zeros (i.e. "filter order") is programmable between 2 and 3255 .
Maximum Sample Rate17 160Ks/sec/aggregate Digitize70 at a maximum sample rate of 160K sample/sec for 1 channel on largest voltage input range. More channels at same voltage input range involves slower rates, e.g. 12Ks/sec per channel for 2 channels, 6Ks/sec/ch for 4 channels, and 3Ks/sec/ch for 8 channels. For a details on maximum sample rate and bandwidth with different voltage input ranges, sensor types, and a/d averaging61 ; see absolute accuracy specification tables below (e.g. Voltage Accuracy). Sample rate is set accurate to 50 ppm (e.g. user specifies 20000 s/sec yet system actually digitizes at 20001 s/sec). Minimum sample rate is 0.015 samples/sec/ch.
Sensor Excitation Included Excitation power (+3.3V ±0.2V, <80mA, 28mA per sensor max) is provided for sensors30, along with other End User Power voltages. This 3.3V, which is referenced to instruNet Ground, is automatically readback by A/D when calculating sensor values.

 

Electrical Specifications, Analog Voltage Input, iNet-600 & iNet-601

 

Parameter Specifications19 Notes
Common Mode Voltage -10 to +10V All voltage input pins must be driven with a voltage between -10 and +10V, with respect to instruNet ground. i600 ground is connected to computer ground via USB bus (which is connected to Earth ground via computer power supply plug 3rd prong). Alternatively, i601 ground is electrically isolated from computer ground.
Crosstalk < -80dB typ Crosstalk from one channel to another depends on sample rate and frequency of applied signal, and is typically < -80dB; i.e. -80dB = 20 * log (1 / 10000). For example, one can apply a 10Hz 10Vpp sinewave to Ch1 on the ±5Vrange, apply 0 Volts DC to Ch3 on the ±2.5Vrange, digitize both at the maximum sample rate, and see < 1mVpp sinewave on Ch3, in a typical case. The amplitude of this sinewave would decrease with slower sample rates, and increase with higher sinewave frequencies.
Input Coupling DC Measure constant DC voltage or dynamic AC waveform with absolute voltage accuracy
Input Impedance 100MΩ Internal 100MΩ resistor (5% accuracy) between input pin and instruNet ground reduces fluctuating measurements when input pin is left unconnected
Current Pump 35 pC max Internal multiplexors pump a small amount of current out voltage measurement pin and into the end user circuit when channels switch. This is normal for multiplexors (they all do this), and is automatically mitigated when doing sensor measurements by waiting for current to dissipate before taking the measurement. If you don't like multiplexors, or need fast sample rates with low level signals; please see i423 which routes inputs to instrumentation amplifiers instead of multiplexors.
Input leakage current 4.5 nA max at 37°C This is a small current that flows out the voltage input pin and into the end user circuit. It has little effect unless measuring small voltages (e.g. expecting accuracy better than ±100uV) with a high source impedance (e.g. > 2K Ω). Maximum leakage is 4.5 nA at 37°C, and 2.3 nA at 25°C.
Input Circuit Multiplexer Voltage input pin connects directly to internal protected multiplexer IC
Common Mode Rejection Ratio ≥ 110dB CMRR is the amount of rejection of a common signal that is present on both inputs of a differential measurement. Theoretically, it should not be measured because the differential measurement looks at the voltage between two pins; however small internal imbalances cause a small error, which is specified here with a DC to 60Hz common mode signal.
Calibration Software Control instruNet hardware is calibrated66 when the system is reset (i.e. press RESET button, load .prf configuration file, or start instruNet software), and when the system is software calibrated (i.e. press CALIBRATE button, issue software calibrate command, or set up software to calibrate every X minutes59 ).
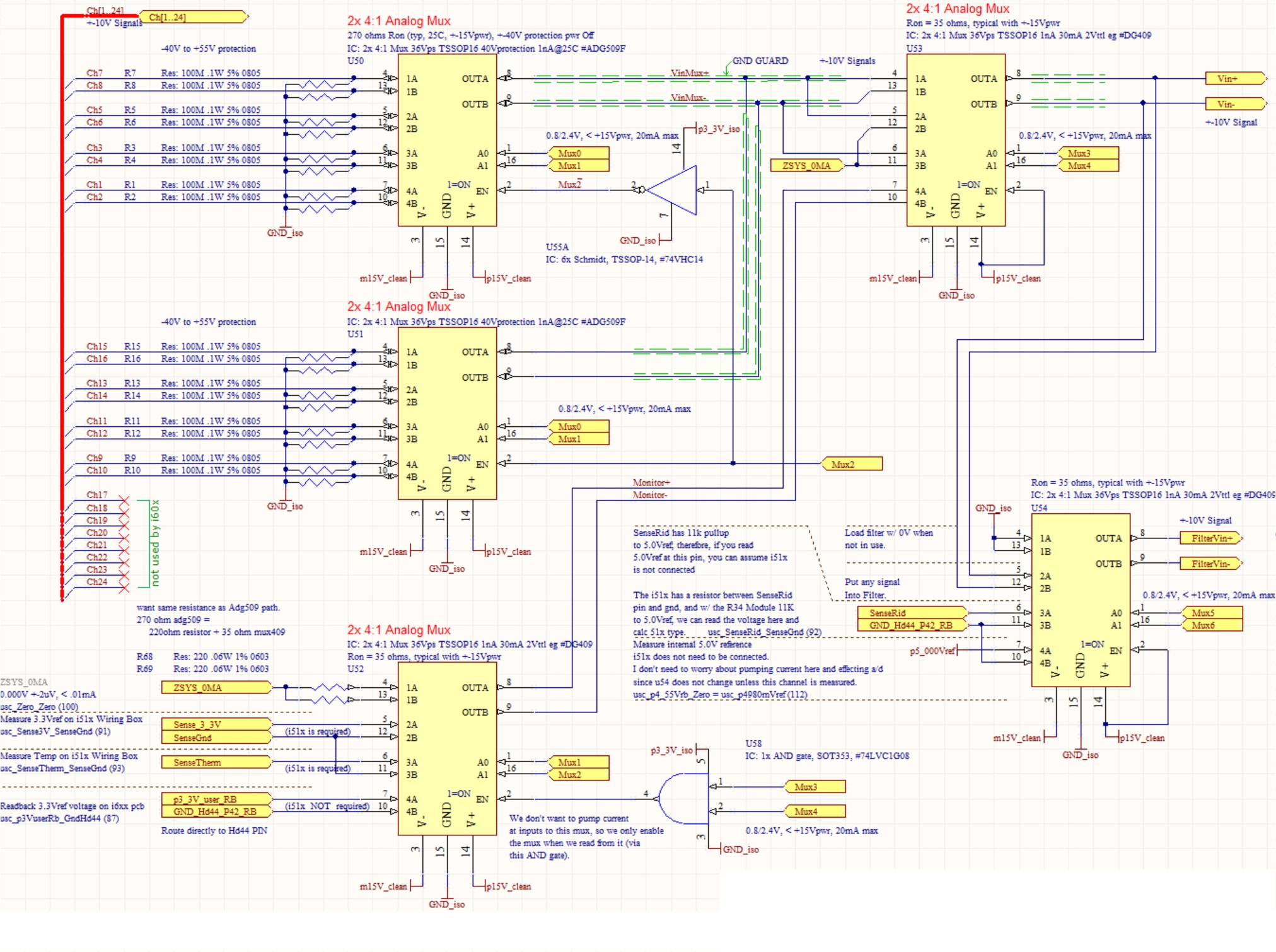
Front End Schematics Published Schematics: i60x Hd44 Schematic,  i60x Multiplexer Schematic

 

Software Interface, Analog Voltage Input, iNet-600 & iNet-601

 

Parameter Specifications19 Notes
Software Interface Windows Compatible instruNet Scalar I/O and High Speed I/O60 interface subroutines execute on Windows Computer via instruNet World, Visual Basic, C, Labview, or DasyLab software. Scalar I/O reads or writes 1 value at a time; whereas High Speed I/O reads or writes multiple values (i.e. a waveform) at a fixed rate (i.e. sample rate).
Maximum # of Channels Up to 256 instruNet system (iNet32/64.dll ≥ v3.0) supports simultaneous high speed I/O to/from computer with 1 to 256 I/O channels70
Maximum Waveform Size Limited by Computer Continuously digitize into Windows computer RAM or into file on Windows computer hard disk62 . Maximum file size is limited by available space on hard disk. Data consumes 4 bytes per point.
Scalar I/O Benchmark 50 to 300uSec typ Scalar I/O60 typically requires 50 to 300uSec to read 1 value from 1 voltage input channel with 0 mSec of a/d averaging. This increases by the amount of a/d averaging (e.g. 1050 to 1300uSec for 1mSec of a/d averaging)
Software Channels Ch1 Vin+ ... Ch16 Vin- Channels #1...#16:  SE/DI voltage inputs, ±20mV...±10V
Connector Pins One pin per bit Signals are available at Hd44 connector pins: #1...#16217
Ground Reference Hd44 Pins 29/42/43/44 i600 ground is connected to computer ground via USB bus (which is connected to Earth ground via computer power supply plug 3rd prong). Alternatively, i601 ground is electrically isolated from computer ground.

 



 
4x Digital I/O, 4mA sink/source, iNet-600 & iNet-601

 

Parameter Specifications19 Notes
Description 4 Bidirectional Digital I/O The 4mA sink/source digital I/O port consists of 4 individual TTL-compatible lines (Ch#25...#28), each of which can be configured as: input or output bit. When configured as an input, a channel can be used to sense a digital high (2 to 5.5 Volts) or digital low (0V to 0.8Volts). When configured as an output, a channel can be set high (e.g. >2V) or low (e.g. <0.8V). These I/O pins are short-circuit protected against high voltages up to 6.0V and down to -6.0V.
Function input or output bit Each bit is independently software programmed as an input or output
TTL Compatible Yes Supports 0.8V for logic 0 and 2V for logic 1, which is typical for TTL
3.3V CMOS Compatible " Supports 1.1V (3.3V*.35) for logic 0 and 2.3V (3.3V*.7) for logic 1, which is typical for digital Cmos powered by 3.3V
Drive Relay Directly " Wire one side of external relay coil to power supply (e.g. 5V), wire other side to I/O pin, and output logic 0 to turn on relay
Detect Switch Closure " Wire one side of external switch to gnd, wire other side to I/O pin, input logic 0 when switch is closed, and input logic 1 when switch is open

 

Electrical Specifications, Digital I/O, iNet-600 & iNet-601

 

Parameter Specifications19 Notes
Working Voltage 0 to +5.5V Functions properly when working with 0 to +5.5V between the I/O pin and instruNet gnd, where each bit is set up as an input or output
Protected Voltage -6 to +6V Short any combination of I/O pins to external -6 to +6V power source (i.e. capable of high current), set up as input or output (0 or 1), instruNet power on or off, without damage
Fuse Auto-Reset, 4 Milliamp Internal fuse on each I/O pin opens during > 4mA over-current condition, and automatically closes otherwise
"0" Input Voltage 0 to +0.8V Applying 0 to +0.8V is read as logic 0 when I/O pin is configured as input
"0" Input Current Amps = Vin / 50K External signal must pull up internal 50.0K resistor (which is connected to GND).
"1" Input Voltage 2V to +5.5V Applying 2V to 5.5V is read as logic 1 when I/O pin is configured as input. If left unconnected this pin floats to 0V.
"0" Output Voltage < 0.7V @ 2mA,
< 0.9V @ 4mA
I/O pin configured as an output sinks current low to 0.3V...0.7V with 0 to 2mA load; or sinks low to 0.3V...0.9V with 0 to 4mA load
"1" Output Voltage > 2.4V @ 2mA,
> 2.2V @ 4mA
I/O pin configured as an output sources current high to 2V...3.3V with 0 to 4mA load.

 

Software Interface, Digital I/O, iNet-600 & iNet-601

 

Parameter Specifications19 Notes
Software Interface Windows Compatible instruNet Scalar I/O and High Speed I/O60 interface subroutines execute on Windows Computer via instruNet World, Visual Basic, C, Labview, or DasyLab software. Scalar I/O reads or writes 1 value at a time; whereas High Speed I/O reads or writes multiple values (i.e. a waveform) at a fixed rate (i.e. sample rate).
Maximum # of Channels Up to 256 instruNet system (iNet32/64.dll ≥ v3.0) supports simultaneous high speed I/O to/from computer with 1 to 256 I/O channels70
Scalar I/O Benchmark 50 to 300uSec typ Scalar I/O60 typically requires 50 to 300uSec to R/W 1 value to/from 1 bit or a bank of multiple I/O bits
Bit or Bank Control Yes Either R/W one bit (0 or 1 value) at a time, or R/W multiple bits within one bank (e.g. 0...255 value with one 8bit bank)
Latching I/O " Internal register reads all input bits within one bank at same time, and updates all output bits within one bank at same time
Bit Software Channels Ch25 Dio ... Ch28 Dio
Channels #25...#28: digital I/O bits, 0 or 1 value, scalar input/output, no high speed i/o, 4mA sink/source
Bank Software Channels Uio25_28 In
Uio25_28 Out
Channel #29: bank of 4 bits, 0...15 value, scalar input/output, no high speed i/o
Channel #30: bank of 4 bits, 0...15 value, scalar input/output, no high speed i/o
Connector Pins One pin per bit Signals are available at Hd44 connector pins: #25...#28217
Ground Reference Hd44 Pins 29/42/43/44 i600 ground is connected to computer ground via USB bus (which is connected to Earth ground via computer power supply plug 3rd prong). Alternatively, i601 ground is electrically isolated from computer ground.

 



 
I/O Software Channels, iNet-600 & iNet-601

 

ChNum Name Channel Type Hd44 Pin(s) Description Scalar I/O
Support
High Speed
Digitize Support
#1 Ch1 Vin+ SE/DI Voltage Input 1, 2 ±20mV...±10V input input
#2 Ch2 Vin- SE Voltage Input 2 " " "
#3 Ch3 Vin+ SE/DI Voltage Input 3, 4 " " "
#4 Ch4 Vin- SE Voltage Input 4 " " "
#5 Ch5 Vin+ SE/DI Voltage Input 5, 6 " " "
#6 Ch6 Vin- SE Voltage Input 6 " " "
#7 Ch7 Vin+ SE/DI Voltage Input 7, 8 " " "
#8 Ch8 Vin- SE Voltage Input 8 " " "
#9 Ch9 Vin+ SE/DI Voltage Input 9, 10 " " "
#10 Ch10 Vin- SE Voltage Input 10 " " "
#11 Ch11 Vin+ SE/DI Voltage Input 11, 12 " " "
#12 Ch12 Vin- SE Voltage Input 12 " " "
#13 Ch13 Vin+ SE/DI Voltage Input 13, 14 " " "
#14 Ch14 Vin- SE Voltage Input 14 " " "
#15 Ch15 Vin+ SE/DI Voltage Input 15, 16 " " "
#16 Ch16 Vin- SE Voltage Input 16 " " "
#25 Ch25 Dio One Dio Bit 25 0 or 1, 4mA sink/source input/output no high speed i/o
#26 Ch26 Dio " 26 " " "
#27 Ch27 Dio " 27 " " "
#28 Ch28 Dio " 28 " " "
#29 Uio25_28 In Group of Dio Bits 25...28 0...15 " "
#30 Uio25_28 Out " " " " "

 



 
Hd44 Connector Pins, iNet-600 & iNet-601

 

Hd44 Pin# Pin Name Pin Type Description
#1 Ch1 Vin+ SE/DI+ Voltage In Supported Sensors: VoltageThermocoupleThermistorRTDLoad Cell30Strain Gage30PotentiometerCurrentResistance
#2 Ch2 Vin- SE/DI- Voltage In "
#3 Ch3 Vin+ SE/DI+ Voltage In "
#4 Ch4 Vin- SE/DI- Voltage In "
#5 Ch5 Vin+ SE/DI+ Voltage In "
#6 Ch6 Vin- SE/DI- Voltage In "
#7 Ch7 Vin+ SE/DI+ Voltage In "
#8 Ch8 Vin- SE/DI- Voltage In "
#9 Ch9 Vin+ SE/DI+ Voltage In "
#10 Ch10 Vin- SE/DI- Voltage In "
#11 Ch11 Vin+ SE/DI+ Voltage In "
#12 Ch12 Vin- SE/DI- Voltage In "
#13 Ch13 Vin+ SE/DI+ Voltage In "
#14 Ch14 Vin- SE/DI- Voltage In "
#15 Ch15 Vin+ SE/DI+ Voltage In "
#16 Ch16 Vin- SE/DI- Voltage In "
#17 Not Used Not Used
#18 " " "
#19 " " "
#20 " " "
#21 " " "
#22 " " "
#23 " " "
#24 " " "
#25 Ch25 Dio One Dio Bit digital I/O bits, 0 or 1 value, scalar input/output, no high speed i/o, 4mA sink/source, 0 to 3.3V
#26 Ch26 Dio " "
#27 Ch27 Dio " "
#28 Ch28 Dio " "
#29 Gnd instruNet Ground i600 ground is connected to computer ground via USB bus (which is connected to Earth ground via computer power supply plug 3rd prong). Alternatively, i601 ground is electrically isolated from computer ground.
#30 Internal_30 Internal Use Only Pin is used by manufacturer for product testing, please do not touch
#31 Internal_31 " "
#32 Internal_32 " "
#33 Internal_33 " "
#34 3.3Vref +3.3V ±0.2V, <80mA Power Available to End User
#35 " " "
#36 5Vpwr +5V ±0.6V, <8mA Power Available to End User
#37 " " "
#38 12Vpwr +15V ±1.2V, <4mA Power Available to End User
#39 " " "
#40 -12Vpwr -15V ±1.2V, <4mA Power Available to End User
#41 " " "
#42 Gnd instruNet Ground i600 ground is connected to computer ground via USB bus (which is connected to Earth ground via computer power supply plug 3rd prong). Alternatively, i601 ground is electrically isolated from computer ground.
#43 " " "
#44 " " "

 



 
Power Available to End User, iNet-600 & iNet-601

 

Parameter Specifications19 Notes
Description External Power +3.3V, +5V, +15V, and -15V power (< 80mA) is available to the end user at several Hd44 Connector217 pins.
+3.3V Reference Pwr +3.3V ±0.2V, <80mA30 +3.3Vdc power available to end user at Hd44 connector pins 34 and 35
+5V End User Pwr +5V ±0.6V, <8mA +5Vdc power available to end user at Hd44 connector pins 36 and 37
+15V End User Pwr +15V ±1.2V, <4mA +15Vdc power available to end user at Hd44 connector pins 38 and 39
-15V End User Pwr -15V ±1.2V, <4mA -15Vdc power available to end user at Hd44 connector pins 40 and 41
Fuse Auto-Reset Internal fuse on each power voltage opens during over-current condition, and automatically closes otherwise. 3.3Vref has 0.25A fuse, 5Vpwr has 15mA/100Ω fuse, and ±15Vpwr has 7mA/470ohmΩ fuse.

 



Physical/Environmental Specifications, iNet-600 & iNet-601

 

Parameter Specifications19 Notes
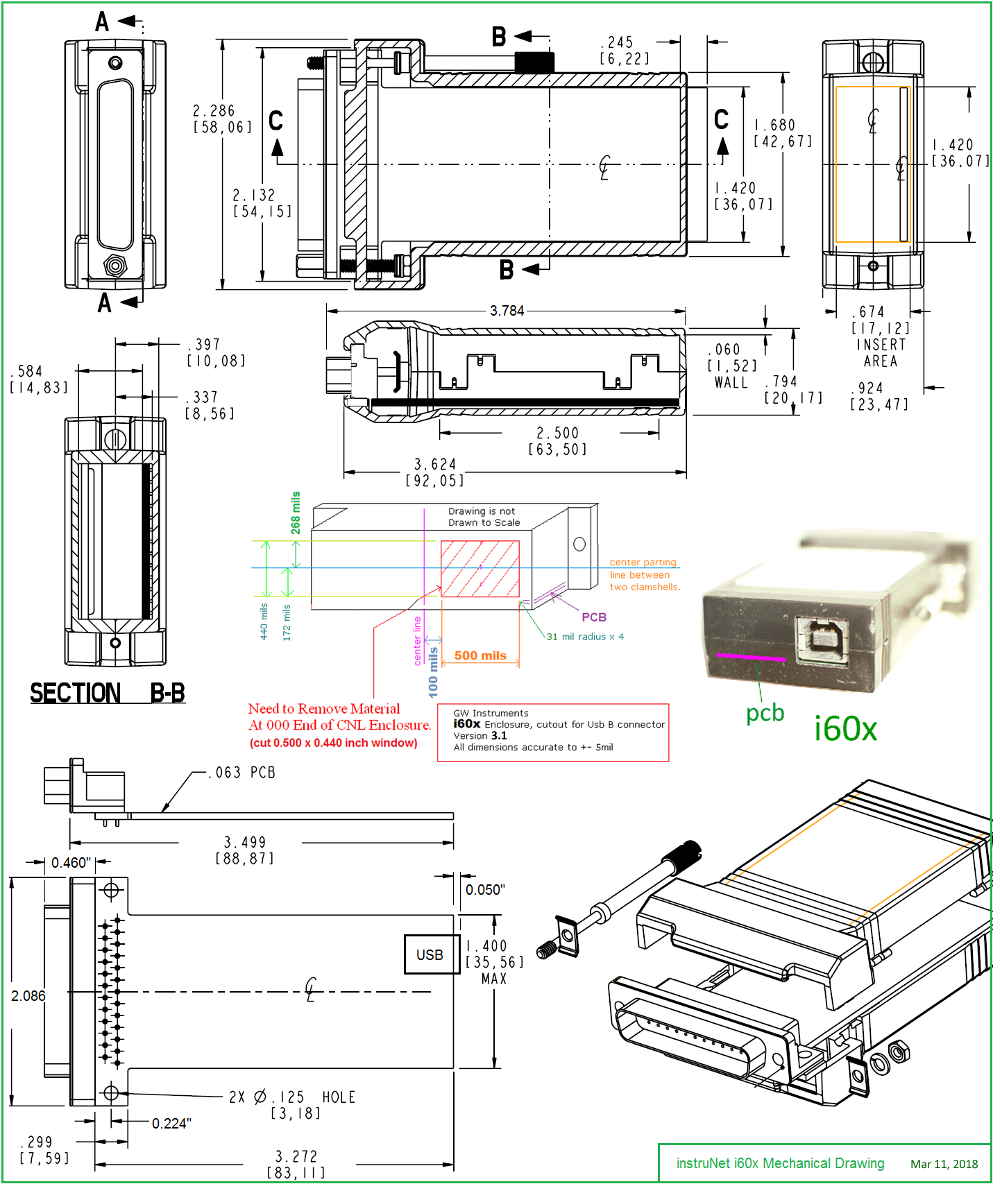
I/O Connector HD44 male High density 44 pin male connector217 (e.g. Astron #HD6C-44-AMAN-1G213 , click footnote for datasheet, outer shell is same size as DB25)
Wiring Box Compatible Compatible with the following optional wiring boxes: i510,  i511,  i512
Physical Dimensions 3.784" x 0.924" x 2.286" For details, see i60x Mechanical Drawing
Operating Temp. 1 to 70°C Operate in temperature between 1°C and 70°C, no condensation
Storage Temperature -20 to 70°C Store in ambient temperature between -20°C and +70°C
Relative Humidity ≤ 90% Operate in humidity less than 90%, no condensation
Hot Plug & Play Yes One can attach device with power on or off, without damage
USB Interface 2.0 Transfer data to/from device at 480Mbits/sec
Safety IEC, EN, UL, CSA Designed to meet IEC 61010-1, EN 61010-1, UL 61010-1, CSA 61010-1
Emissions EN, CE, FCC Designed to meet EN 61326 EMC Min Immunity, EN 55011 Emissions Group 1 Class A, CE, C-tick, ICES, and FCC Part 15 Emissions Class A
CE Compliance Yes Meets 73/23/EEC low-voltage safety, and 89/336/EEC electromagnetic compatibility
Specifications Subject to change All specifications are subject to change without notice
+5V USB Power, Max +5V ±0.4V, ~433mA Power drawn from USB bus, with max load from end user sensors
+5V USB Power, Typ +5V ±0.4V, ~255mA Power drawn from USB bus, with no load from end user sensors

 



 
Voltage Measurement
Absolute Accuracy Specifications, iNet-600 & iNet-601

 

Voltage
Range 1
Signal
Averaging Per Point
(mSec) 3
Absolute Accuracy
(Max Gain + Offset Error) 38a
Max Multi-
Channel Aggregate Sample Rate (s/sec/agg)
18
Channel Switching Acquisition Time
(uSec)
4
Analog Amplifier Bandwidth
(KHz) 5
±10V 0 mSec ±(0.005% + 1569.9μV) 33.40K 29.9 315
  0.1 mSec ±(0.005% + 973.2μV) 4.52K 29.9 315
  1.0 mSec ±(0.005% + 271.8μV) 0.77K 29.9 315
±5V 0 mSec ±(0.005% + 709.4μV) 33.40K 29.9 315
  0.1 mSec ±(0.005% + 443.8μV) 4.52K 29.9 315
  1.0 mSec ±(0.005% + 131.6μV) 0.77K 29.9 315
±2.5V 0 mSec ±(0.005% + 374.2μV) 25.49K 39.2 315
  0.1 mSec ±(0.005% + 234.0μV) 4.52K 39.2 315
  1.0 mSec ±(0.005% + 69.2μV) 0.76K 39.2 315
±1.2V 0 mSec ±(0.005% + 197.3μV) 25.26K 39.6 315
  0.1 mSec ±(0.005% + 123.7μV) 4.52K 39.6 315
  1.0 mSec ±(0.005% + 37.2μV) 0.76K 39.6 315
±600mV 0 mSec ±(0.005% + 123.9μV) 20.86K 47.9 315
  0.1 mSec ±(0.005% + 91.5μV) 4.27K 47.9 315
  1.0 mSec ±(0.005% + 22.4μV) 0.75K 47.9 315
±300mV 0 mSec ±(0.005% + 90.9μV) 20.71K 48.3 315
  0.1 mSec ±(0.005% + 66.8μV) 4.27K 48.3 315
  1.0 mSec ±(0.005% + 15.3μV) 0.75K 48.3 315
±150mV 0 mSec ±(0.005% + 70.4μV) 3.75K 187.7 21
  0.1 mSec ±(0.005% + 22.8μV) 2.65K 187.7 21
  1.0 mSec ±(0.005% + 11.4μV) 0.69K 187.7 21
±80mV 0 mSec ±(0.005% + 49.3μV) 3.75K 193.6 21
  0.1 mSec ±(0.005% + 16.5μV) 2.65K 193.6 21
  1.0 mSec ±(0.005% + 8.6μV) 0.68K 193.6 21
±40mV 0 mSec ±(0.005% + 32.8μV) 3.58K 199.1 21
  0.1 mSec ±(0.005% + 11.7μV) 2.56K 199.1 21
  1.0 mSec ±(0.005% + 6.7μV) 0.68K 199.1 21
±20mV 0 mSec ±(0.006% + 32.1μV) 3.58K 198.3 21
  0.1 mSec ±(0.006% + 11.4μV) 2.56K 198.3 21
  1.0 mSec ±(0.006% + 6.5μV) 0.68K 198.3 21

 

Voltage Specification Conditions, iNet-600 & iNet-601
  • The iNet-600 & iNet-601 module supports quantity 8 Voltage devices wired Differential or 16 wired Single-Ended.
  • Absolute Accuracy is specified as a percentage of measured value PLUS a fixed offset. It is the sum of the following errors components, each in their worst case (we are conservative): Intergal Nonlinearity (INL), Differential Nonlinearity (DNL), system noise (ground input, digitize, and see noise), gain/offset temperature drift, gain/offset time stability drift, gain/offset initial offset error, 4.5nA max leakage current (at 37°C) times 50Ω user source impedance error, and voltage reference temperature/time drift 66 . Noise offset error is modeled as 3 times the Noise RMS value (99.7%). Absolute Accuracy is the same as Maximum Worst Case error. For Typical error, divide maximum by 2.
  • Absolute accuracy is shown with both a gain and offset component, where the offset error is independent of the input voltage, and the gain error is porportional to the the input. For example, if one measures 2Volts and the absolute accuracy specification is ±(1% + 3mV), then one could expect ±(1% * 2V + 3mV) = ±23mV accuracy.
  • These specifications assume the external end user source resistance is <50 Ω (op amp source); and the external end user source capacitance to GND is < 1000 pF.
 
  • Calibration: These specifications assume 1 year since Factory Calibration, instruNet hardware ambient temperature is between 13 and 33 °C, and instruNet hardware temperature changed 1°C since its last self-calibration 59 .

Software Programmable Parameters
Each channel provides the following independently programmable parameters:
  • A/D Signal-Averaging-Per-Point (0 ... 100mSec) 3
  • Sample-Rate (samples-per-second-per-channel) 17
  • Digital IIR Filter (LowPass, HighPass, BandPass, or BandStop) 55
  • Voltage Measurement Range (±20mV...±10V) 1
  • Sensor Type 13
  • Single-Ended or Differential Wiring

More Information


 
Voltage Measurement
Drift Errors, iNet-600 & iNet-601

 

Voltage
Range 1
Absolute Accuracy
(Max Gain + Offset Error) 38a
Additional Error Per °C If Operate Hardware at >33°C or <13°C 7 Additional Error Per Year if Not Factory Calibrate Hardware After 1Yr 9 Additional Error per °C if not AutoCal after 1°C Hardware Change Since last AutoCal 8
±10V ±(0.005% + 271.8μV) ±0.0003%/°C ±0.0012%/yr ±(0.0003% + 1.8μV)/°C
±5V ±(0.005% + 131.6μV) ±0.0003%/°C ±0.0012%/yr ±(0.0003% + 1.0μV)/°C
±2.5V ±(0.005% + 69.2μV) ±0.0003%/°C ±0.0012%/yr ±(0.0003% + 0.7μV)/°C
±1.2V ±(0.005% + 37.2μV) ±0.0003%/°C ±0.0012%/yr ±(0.0003% + 0.4μV)/°C
±600mV ±(0.005% + 22.4μV) ±0.0003%/°C ±0.0012%/yr ±(0.0003% + 0.3μV)/°C
±300mV ±(0.005% + 15.3μV) ±0.0003%/°C ±0.0012%/yr ±(0.0003% + 0.2μV)/°C
±150mV ±(0.005% + 11.4μV) ±0.0003%/°C ±0.0012%/yr ±(0.0003% + 0.2μV)/°C
±80mV ±(0.005% + 8.6μV) ±0.0003%/°C ±0.0012%/yr ±(0.0003% + 0.1μV)/°C
±40mV ±(0.005% + 6.7μV) ±0.0003%/°C ±0.0012%/yr ±(0.0003% + 0.1μV)/°C
±20mV ±(0.006% + 6.5μV) ±0.0004%/°C ±0.0012%/yr ±0.0004%/°C

 



 
Thermocouple Measurement
Absolute Accuracy Specifications, iNet-600 & iNet-601

 

TC
Type 13
Measurement
Range 11
Voltage
Range 1
Absolute
Accuracy
(±Max Error) 38w
Max Multi-
Channel Aggregate Sample Rate (s/sec/agg)
18
J -210 to 150°C ±20mV
-10 to 150°C: ±0.79°C
2.56K
   
-210 to -10°C: ±1.15°C
i423 is faster
  -210 to 1200°C ±80mV
10 to 1200°C: ±0.90°C
2.65K
   
-210 to 1200°C: ±1.40°C
K -200 to 200°C ±20mV
-10 to 120°C: ±0.87°C
2.56K
   
±200°C: ±1.31°C
  -200 to 1360°C ±80mV
10 to 1360°C: ±1.16°C
2.65K
   
-200 to 1360°C: ±1.62°C
B 251 to 1820°C ±20mV
251 to 600°C: ±4.75°C
2.56K
   
600 to 1300°C: ±2.45°C
   
251 to 1300°C: ±4.75°C
   
1300 to 1820°C: ±1.63°C
C 0 to 1K°C ±20mV
 ±1.84°C
2.56K
  0 to 2315°C ±40mV
 ±2.48°C
2.56K
D 0 to 1K°C ±20mV
 ±2.14°C
2.56K
  0 to 2315°C ±40mV
 ±2.48°C
2.56K
E -200 to 125°C ±20mV
-90 to 80°C: ±0.80°C
2.56K
   
-200 to 125°C: ±1.01°C
  -200 to 1K°C ±80mV
10 to 1K°C: ±0.81°C
2.65K
   
-200 to 1K°C: ±1.20°C
G 0 to 500°C ±20mV
0 to 500°C: ±6.30°C
2.56K
   
100 to 500°C: ±3.23°C
  0 to 2315°C ±40mV
0 to 300°C: ±6.44°C
2.56K
   
300 to 2315°C: ±1.86°C
N -200 to 570°C ±20mV
-200 to 0°C: ±1.66°C
2.56K
   
0 to 170°C: ±1.01°C
   
-10 to 570°C: ±1.01°C
  -200 to 1300°C ±80mV
10 to 1300°C: ±1.17°C
2.65K
   
-200 to 1300°C: ±2.14°C
R -50 to 800°C ±20mV
-50 to 10°C: ±3.41°C
2.56K
   
10 to 800°C: ±2.49°C
  -50 to 1768°C ±40mV
10 to 1768°C: ±2.55°C
2.56K
   
-50 to 1768°C: ±3.48°C
S -50 to 1768°C ±20mV
-50 to -10°C: ±3.17°C
2.56K
   
-10 to 860°C: ±2.66°C
   
-50 to -10°C: ±3.17°C
   
-10 to 1768°C: ±2.66°C
T -200 to 175°C ±20mV
-200 to -10°C: ±1.27°C
2.56K
   
-10 to 175°C: ±0.86°C
  -200 to 400°C ±40mV
10 to 400°C: ±0.84°C
2.56K
   
-200 to 400°C: ±1.29°C

 

Thermocouple Specification Conditions, iNet-600 & iNet-601
  • The iNet-600 & iNet-601 module supports quantity 8 Thermocouple devices wired Differential (not SE).
  • Absolute Accuracy is specified as a percentage of measured value PLUS a fixed offset. It is the sum of the following errors components, each in their worst case (we are conservative): voltage measurement errors as described above, cold junction compensation (supplied automatically by instrunet) error, polynomial linearization error, 0.2°C instrunet screw terminal temperature change since last autocalibration, multiplexor current pump error. Absolute Accuracy does Not include errors from the actual Thermocouple device. Absolute Accuracy is the same as Maximum Worst Case error. For Typical error, divide maximum by 2.
  • These specifications assume signal averaging per point is 0.1mSec Integ for all rows3 .
  • Measurement of thermocouples Requires that an i51x Wiring Box be attached to the i4xx Module, and that the thermocouple leads are attached directly to the i51x screw terminals (for automatic Cold Junction Compensation).
  • The measured thermocouple temperature is a function of the instruNet hardware screw terminal temperature and the voltage measured across the thermocouple. Therefore, an additional temperature measurement error of 1°C occurs for each 1°C change of the instruNet screw terminal temperature since the last instruNet auto-calibration (where it measures screw terminal temperature) 59 . For example, if the instruNet hardware auto-calibrates when it's screw terminals are at 23°C, and they then heat up 3°C before another auto-calibration, then all thermcouple measurements will return a temperature that is 3°C higher than expected. One can program the instruNet to auto-calibrate once every 1 to 1000 minutes.
 
  • These specifications assume the thermocouple device is grounded at the instruNet (e.g. the end user connects an external wire between the i51x Vin Minus (Vin-) and GND screw terminals).
  • Calibration: These specifications assume 1 year since Factory Calibration, instruNet hardware ambient temperature is between 13 and 33 °C 59 .

Software Programmable Parameters
Each channel provides the following independently programmable parameters:
  • A/D Signal-Averaging-Per-Point (0 ... 100mSec) 3
  • Sample-Rate (samples-per-second-per-channel) 17
  • Digital IIR Filter (LowPass, HighPass, BandPass, or BandStop) 55
  • Voltage Measurement Range (±20mV ... ±80mV) 1
  • Sensor Type 13
  • Min/Max °C Range 11

More Information


 
Thermistor Measurement
Absolute Accuracy Specifications, iNet-600 & iNet-601

 

Thermistor
Type
(Ω @ 25°C) 23
Measurement
Range 11
Voltage
Range 1
Absolute
Accuracy
(±Max Error) 38n
Max Multi-
Channel Aggregate Sample Rate (s/sec/agg)
18
External Shunt Resistor
(Ω) 15
Shunt Resistor Initial Accuracy
(%) and Temp Drift
(ppm/C)
16
Example Shunt
Resistor Product 100
2252 Ω 10 to 130°C ±1.2V
10 to 30°C: ±0.25°C
4.27K 10K Ω 0.05%, 5ppm/C #iNet-R-10K
eg #44004 i423 has more range  
30 to 70°C: ±0.17°C
i423 is faster      
   
70 to 130°C: ±0.21°C
     
  0 to 70°C ±2.5V
 ±0.30°C
4.27K 10K Ω 0.05%, 5ppm/C #iNet-R-10K
  90 to 250°C ±80mV
 ±1.43°C
2.02K 10K Ω 0.05%, 5ppm/C #iNet-R-10K
  30 to 250°C ±600mV
30 to 170°C: ±0.48°C
4.27K 10K Ω 0.05%, 5ppm/C #iNet-R-10K
   
170 to 250°C: ±2.24°C
     
  30 to 70°C ±1.2V
 ±0.16°C
4.27K 10K Ω 0.01%, 5ppm/C contact disti

 

Thermistor Specification Conditions, iNet-600 & iNet-601
  • The iNet-600 & iNet-601 module supports quantity 8 Thermistor devices wired Differential or 16 wired Single-Ended.
  • Absolute Accuracy is specified as a percentage of measured value PLUS a fixed offset. It is the sum of the following errors components, each in their worst case (we are conservative): voltage measurement errors as described above, readback of excitation voltage error, sensor self heating error, external shunt resistor self heating error, external shunt resistor initial accuracy error, instruNet input impedance variation error, 4.5nA max leakage current (at 37°C) times user source impedance error, polynomial linearization error, multiplexor current pump error. Absolute Accuracy does Not include errors from the actual Thermistor device. Absolute Accuracy is the same as Maximum Worst Case error. For Typical error, divide maximum by 2.
  • These specifications assume signal averaging per point is 0.1mSec Integ for all rows3 .
  • instruNet connects directly to all types of Thermistor's.
  • The end user must supply one external shunt resistor per channel (i.e. this resistor is not included with i4xx or i51x products).
  • The end user must supply Steinhart a/b/c coefficients, unless working with YSI/Omega 4xx or 4xxxx series thermistors 23 .
  • These specifications assume that less than 1000 pF of external capacitance is between the end user source and GND.
  • instruNet provides a fixed 3.3V excitation voltage which is accurately readback in order to calculate °C.
  • These specifications assume an i51x Wiring Box is attached to the i4xx Module, and that the device leads are attached to the i51x screw terminals (for accurate readback of 3.3Vref). The i51x can be attached directly to the i4xx front panel; or a cable can be placed between the i4xx and i51x wiring box (e.g. ≤ 5meters, 44 wire, point-to-point) without degradation of accuracy.
 
  • Calibration: These specifications assume 1 year since Factory Calibration, instruNet hardware ambient temperature is between 13 and 33 °C, and instruNet hardware temperature changed 1°C since its last self-calibration 59 .

Software Programmable Parameters
Each channel provides the following independently programmable parameters:
  • A/D Signal-Averaging-Per-Point (0 ... 100mSec) 3
  • Sample-Rate (samples-per-second-per-channel) 17
  • Digital IIR Filter (LowPass, HighPass, BandPass, or BandStop) 55
  • Voltage Measurement Range (±20mV ... ±10V) 1
  • Sensor Type 23
  • Min/Max °C Range 11
  • Single-Ended or Differential Wiring
  • External End-User-Supplied Shunt Resistor resistance (Ω) 15
  • Device Steinhart-Hart a/b/c coefficients

More Information


 
RTD Measurement
Absolute Accuracy Specifications, iNet-600 & iNet-601

 

RTD
Type
(Ω @ 0°C) 13
Measurement
Range 11
Voltage
Range 1
Absolute
Accuracy
(±Max Error) 38e
Max Multi-
Channel Aggregate Sample Rate (s/sec/agg)
18
External Shunt Resistor
(Ω) 15
Shunt Resistor Initial Accuracy
(%) and Temp Drift
(ppm/C)
16
Example Shunt
Resistor Product 100
100 Ω ±50°C ±40mV
 ±0.48°C
2.02K 10K Ω 0.05%, 5ppm/C #iNet-R-10K
  -100 to 300°C ±80mV
-100 to 150°C: ±0.61°C
2.02K 10K Ω 0.05%, 5ppm/C #iNet-R-10K
   
150 to 300°C: ±0.74°C
i423 is faster      
  -238 to 850°C ±150mV
-238 to 0°C: ±0.52°C
2.02K 10K Ω 0.05%, 5ppm/C #iNet-R-10K
   
0 to 100°C: ±0.61°C
     
   
100 to 850°C: ±1.40°C
     
500 Ω -100 to 300°C ±600mV
 ±0.62°C
4.27K 10K Ω 0.05%, 5ppm/C #iNet-R-10K
1K Ω -100 to 300°C ±600mV
 ±0.64°C
4.27K 10K Ω 0.05%, 5ppm/C #iNet-R-10K
100 Ω -100 to 150°C ±80mV
 ±0.44°C
2.02K 10K Ω 0.01%, 5ppm/C contact disti

 

RTD Specification Conditions, iNet-600 & iNet-601
  • The iNet-600 & iNet-601 module supports quantity 8 RTD devices wired Differential or 16 wired Single-Ended.
  • Absolute Accuracy is specified as a percentage of measured value PLUS a fixed offset. It is the sum of the following errors components, each in their worst case (we are conservative): voltage measurement errors as described above, readback of excitation voltage error, sensor self heating error, external shunt resistor self heating error, external shunt resistor initial accuracy error, instruNet input impedance variation error, 4.5nA max leakage current (at 37°C) times user source impedance error, multiplexor current pump error. Absolute Accuracy does Not include errors from the actual RTD device. Absolute Accuracy is the same as Maximum Worst Case error. For Typical error, divide maximum by 2.
  • These specifications assume signal averaging per point is 0.1mSec Integ for all rows3 .
  • instruNet connects directly to all types of RTD's.
  • The end user must supply one external shunt resistor per channel (i.e. this resistor is not included with i4xx or i51x products).
  • These specifications assume that less than 1000 pF of external capacitance is between the end user source and GND.
  • instruNet provides a fixed 3.3V excitation voltage which is accurately readback in order to calculate °C.
  • These specifications assume an i51x Wiring Box is attached to the i4xx Module, and that the device leads are attached to the i51x screw terminals (for accurate readback of 3.3Vref). The i51x can be attached directly to the i4xx front panel; or a cable can be placed between the i4xx and i51x wiring box (e.g. ≤ 5meters, 44 wire, point-to-point) without degradation of accuracy.
 
  • Calibration: These specifications assume 1 year since Factory Calibration, instruNet hardware ambient temperature is between 13 and 33 °C, and instruNet hardware temperature changed 1°C since its last self-calibration 59 .

Software Programmable Parameters
Each channel provides the following independently programmable parameters:
  • A/D Signal-Averaging-Per-Point (0 ... 100mSec) 3
  • Sample-Rate (samples-per-second-per-channel) 17
  • Digital IIR Filter (LowPass, HighPass, BandPass, or BandStop) 55
  • Voltage Measurement Range (±20mV ... ±10V) 1
  • Sensor Type 13
  • Min/Max °C Range 11
  • Single-Ended or Differential Wiring
  • External End-User-Supplied Shunt Resistor resistance (Ω) 15
  • RTD alpha (e.g. 0.0038) and delta (e.g. 1.492) coefficients
  • RTD beta (e.g. 0.11) coefficient when working with temperatures < 0°C

More Information


 
Load Cell Measurement
Absolute Accuracy Specifications, iNet-600 & iNet-601

 

Load
Cell
(Max Kg) 13
Measurement
Range 11
Absolute
Accuracy
(±Max Error) 38p
Max Multi-
Channel Aggregate Sample Rate (s/sec/agg)
18
Voltage
Range 1
Signal
Averaging Per Point
(mSec) 3
10 Kg, 350Ω, 2mV/V @ MaxKg 0 to 10 Kg ±0.014 Kg 1.97K, i423 is faster ±20mV 0.1 mSec
    ±0.006 Kg 0.62K   1.0 mSec
25 Kg, 350Ω, 2mV/V @ MaxKg 0 to 25 Kg ±0.034 Kg 1.97K ±20mV 0.1 mSec
    ±0.015 Kg 0.62K   1.0 mSec
100 Kg, 350Ω, 2mV/V @ MaxKg 0 to 100 Kg ±0.136 Kg 1.97K ±20mV 0.1 mSec
    ±0.061 Kg 0.62K   1.0 mSec
250 Kg, 350Ω, 2mV/V @ MaxKg 0 to 250 Kg ±0.339 Kg 1.97K ±20mV 0.1 mSec
    ±0.152 Kg 0.62K   1.0 mSec
1000 Kg, 350Ω, 2mV/V @ MaxKg 0 to 1K Kg ±1.356 Kg 1.97K ±20mV 0.1 mSec
    ±0.607 Kg 0.62K   1.0 mSec
5000 Kg, 350Ω, 2mV/V @ MaxKg 0 to 5K Kg ±6.779 Kg 1.97K ±20mV 0.1 mSec
    ±3.037 Kg 0.62K   1.0 mSec
100 Kg, 500Ω, 2mV/V @ MaxKg 0 to 100 Kg ±0.141 Kg 1.97K ±20mV 0.1 mSec
    ±0.066 Kg 0.62K   1.0 mSec
100 Kg, 1000Ω, 2mV/V @ MaxKg 0 to 100 Kg ±0.158 Kg 1.88K ±20mV 0.1 mSec
    ±0.083 Kg 0.61K   1.0 mSec

 

Load Cell Specification Conditions, iNet-600 & iNet-601
  • The iNet-600 & iNet-601 module supports quantity 8 Load Cell devices wired Differential (not SE) 30.
  • Absolute Accuracy is specified as a percentage of measured value PLUS a fixed offset. It is the sum of the following errors components, each in their worst case (we are conservative): voltage measurement errors as described above, readback of excitation voltage error, 4.5nA max leakage current (at 37°C) times user source impedance error, multiplexor current pump error. Absolute Accuracy does Not include errors from the actual Load Cell device. Absolute Accuracy is the same as Maximum Worst Case error. For Typical error, divide maximum by 2.
  • instruNet connects directly to all types of Load Cell's.
  • These specifications assume the device has been calibrated at the 0 point. This "balancing" involves appling 0 force and then telling instruNet to "balance bridges" via a software command. Subsequently, instruNet automatically subtracts this voltage from future measurements.
  • 120Ω devices are typically not used due to excess heating at the device (3.3V / 120Ω = 27mA, 90 mWatts).  ≥ 350Ω devices are preferred (3.3V / 350Ω = 9mA, 31 mWatts).
  • These specifications assume that less than 1000 pF of external capacitance is between the end user source and GND.
  • instruNet provides a fixed 3.3V excitation voltage which is accurately readback in order to calculate Kg.
  • These specifications assume an i51x Wiring Box is attached to the i4xx Module, and that the device leads are attached to the i51x screw terminals (for accurate readback of 3.3Vref). The i51x can be attached directly to the i4xx front panel; or a cable can be placed between the i4xx and i51x wiring box (e.g. ≤ 5meters, 44 wire, point-to-point) without degradation of accuracy.
 
  • Calibration: These specifications assume 1 year since Factory Calibration, instruNet hardware ambient temperature is between 13 and 33 °C, and instruNet hardware temperature changed 1°C since its last self-calibration 59 .

Software Programmable Parameters
Each channel provides the following independently programmable parameters:
  • A/D Signal-Averaging-Per-Point (0 ... 100mSec) 3
  • Sample-Rate (samples-per-second-per-channel) 17
  • Digital IIR Filter (LowPass, HighPass, BandPass, or BandStop) 55
  • Voltage Measurement Range (±20mV ... ±80mV) 1
  • Sensor Type 13
  • Min/Max Kg Range 11
  • Device maximum-Kg-force and mV/V-sensitivity-at-max-force coefficients

More Information


 
Strain Gage Measurement
Absolute Accuracy Specifications, iNet-600 & iNet-601

 

Strain
Gage
(ohms) 13
Measurement
Range 11
Absolute
Accuracy
(±Max Error) 38d
Max Multi-
Channel Aggregate Sample Rate (s/sec/agg)
18
External Ro Resistor
(Ω, temp drift) 15
Example Shunt
Resistor Product 100
Voltage
Range 1
Signal
Averaging Per Point
(mSec) 3
350 Ω, ¼ Bridge ±11875 μS ±13.5 μS 1.97K, i423 is faster 350 Ω, 5ppm/C #iNet-R-350 ±20mV 0.1 mSec
  ±24035 μS ±15.5 μS 1.97K 350 Ω, 5ppm/C #iNet-R-350 ±40mV  
  ±49258 μS ±22.3 μS 2.02K 350 Ω, 5ppm/C #iNet-R-350 ±80mV  
350 Ω, ½ Bridge Bend ±5868 μS ±5.6 μS 1.97K 350 Ω, 5ppm/C #iNet-R-350 ±20mV  
350 Ω, ½ Bridge Axial ±8945 μS ±8.5 μS 1.97K 350 Ω, 5ppm/C #iNet-R-350 ±20mV  
350 Ω, Full Br Bend ±2934 μS ±1.6 μS 1.97K (no ext Ro)   ±20mV  
    ±0.9 μS 0.62K       1.0 mSec
350 Ω, Full Br Axial I ±4445 μS ±2.5 μS 1.97K (no ext Ro)   ±20mV 0.1 mSec
    ±1.4 μS 0.62K       1.0 mSec
350 Ω, Full Br Axial II ±4459 μS ±2.5 μS 1.97K (no ext Ro)   ±20mV 0.1 mSec
    ±1.4 μS 0.62K       1.0 mSec
1K Ω, ¼ Bridge ±11876 μS ±10.0 μS 1.88K 1K Ω, 5ppm/C #iNet-R-1K ±20mV 0.1 mSec

 

Strain Gage Specification Conditions, iNet-600 & iNet-601
  • The iNet-600 & iNet-601 module supports quantity 8 Strain Gage devices wired Differential (not SE) 30.
  • Absolute Accuracy is specified as a percentage of measured value PLUS a fixed offset. It is the sum of the following errors components, each in their worst case (we are conservative): voltage measurement errors as described above, readback of excitation voltage error, external shunt resistor self heating error, 4.5nA max leakage current (at 37°C) times user source impedance error, multiplexor current pump error. Absolute Accuracy does Not include errors from the actual Strain Gage device. Absolute Accuracy is the same as Maximum Worst Case error. For Typical error, divide maximum by 2.
  • instruNet connects directly to all types of Strain Gage's.
  • The end user must supply 2 external shunt resistors if working with a half bridge and 3 external resistors if working with a quarter bridge (i.e. these resistors are not included with i4xx or products).
  • These specifications assume the device has been calibrated at the 0 point. This "balancing" involves appling 0 force and then telling instruNet to "balance bridges" via a software command. Subsequently, instruNet automatically subtracts this voltage from future measurements.
  • 120Ω devices are typically not used due to excess heating at the device (3.3V / 120Ω = 27mA, 90 mWatts).  ≥ 350Ω devices are preferred (3.3V / 350Ω = 9mA, 31 mWatts).
  • These specifications assume that less than 1000 pF of external capacitance is between the end user source and GND.
  • instruNet provides a fixed 3.3V excitation voltage which is accurately readback in order to calculate μS.
  • These specifications assume an i51x Wiring Box is attached to the i4xx Module, and that the device leads are attached to the i51x screw terminals (for accurate readback of 3.3Vref). The i51x can be attached directly to the i4xx front panel; or a cable can be placed between the i4xx and i51x wiring box (e.g. ≤ 5meters, 44 wire, point-to-point) without degradation of accuracy.
 
  • Calibration: These specifications assume 1 year since Factory Calibration, instruNet hardware ambient temperature is between 13 and 33 °C, and instruNet hardware temperature changed 1°C since its last self-calibration 59 .

Software Programmable Parameters
Each channel provides the following independently programmable parameters:
  • A/D Signal-Averaging-Per-Point (0 ... 100mSec) 3
  • Sample-Rate (samples-per-second-per-channel) 17
  • Digital IIR Filter (LowPass, HighPass, BandPass, or BandStop) 55
  • Voltage Measurement Range (±20mV ... ±80mV) 1
  • Sensor Type 13
  • Min/Max μS Range 11
  • External End-User-Supplied Shunt Resistor resistance (Ω) 15
  • Device GF (e.g. 2) and Poisson (e.g. 0.32) coefficients
  • Device to instruNet lead resistance (Ω)

More Information


 
Potentiometer Measurement
Absolute Accuracy Specifications, iNet-600 & iNet-601

 

POT
Type
(ohms) 13
Measurement
Range 11
Signal
Averaging Per Point
(mSec) 3
Absolute
Accuracy
(±Max Error) 38q
Max Multi-
Channel Aggregate Sample Rate (s/sec/agg)
18
Voltage
Range 1
10K Ω 0 to 1.0Eu 0.1 mSec ±0.000227Eu 2.48K, i423 is faster ±5V
50K Ω 0 to 1.0Eu   ±0.000254Eu 0.78K ±5V

 

Potentiometer Specification Conditions, iNet-600 & iNet-601
  • The iNet-600 & iNet-601 module supports quantity 8 Potentiometer devices wired Differential (not SE).
  • Absolute Accuracy is specified as a percentage of measured value PLUS a fixed offset. It is the sum of the following errors components, each in their worst case (we are conservative): voltage measurement errors as described above, readback of excitation voltage error, instruNet input impedance variation error, 4.5nA max leakage current (at 37°C) times user source impedance error, multiplexor current pump error. Absolute Accuracy does Not include errors from the actual Potentiometer device. Absolute Accuracy is the same as Maximum Worst Case error. For Typical error, divide maximum by 2.
  • instruNet connects directly to all types of Potentiometer's.
  • These specifications assume that less than 1000 pF of external capacitance is between the end user source and GND.
  • instruNet provides a fixed 3.3V excitation voltage which is accurately readback in order to calculate Eu.
  • These specifications assume an i51x Wiring Box is attached to the i4xx Module, and that the device leads are attached to the i51x screw terminals (for accurate readback of 3.3Vref). The i51x can be attached directly to the i4xx front panel; or a cable can be placed between the i4xx and i51x wiring box (e.g. ≤ 5meters, 44 wire, point-to-point) without degradation of accuracy.
 
  • Calibration: These specifications assume 1 year since Factory Calibration, instruNet hardware ambient temperature is between 13 and 33 °C, and instruNet hardware temperature changed 1°C since its last self-calibration 59 .

Software Programmable Parameters
Each channel provides the following independently programmable parameters:
  • A/D Signal-Averaging-Per-Point (0 ... 100mSec) 3
  • Sample-Rate (samples-per-second-per-channel) 17
  • Digital IIR Filter (LowPass, HighPass, BandPass, or BandStop) 55
  • Voltage Measurement Range (±20mV ... ±10V) 1
  • Sensor Type 13

More Information


 
Current Measurement
Absolute Accuracy Specifications, iNet-600 & iNet-601

 

Measurement
Range 11
Signal
Averaging Per Point
(mSec) 3
Absolute Accuracy
(Max Gain + Offset Error) 38b
Max Multi-
Channel Aggregate Sample Rate (s/sec/agg)
18
External Shunt Resistor
(Ω) 15
Shunt Resistor Initial Accuracy
(%) and Temp Drift
(ppm/C)
16
Example Shunt
Resistor Product 100
Voltage
Range 1
0 to 24mA 0 mSec ±(0.056% + 6.0uA) 24.70K 33 Ω 0.05%, 5ppm/C #iNet-R-33 ±1.2V
  1.0 mSec ±(0.056% + 1.1uA) 0.76K        
±24mA 0 mSec ±(0.056% + 6.0uA) 24.70K        
  1.0 mSec ±(0.056% + 1.1uA) 0.76K        
±12mA 0 mSec ±(0.056% + 3.1uA) 23.98K 120 Ω 0.05%, 5ppm/C #iNet-R-120 ±2.5V
  0.1 mSec ±(0.056% + 1.1uA) 4.27K        
  1.0 mSec ±(0.056% + 0.6uA) 0.75K        
±2.5mA 0 mSec ±(0.056% + 0.4uA) 17.28K 1K Ω 0.05%, 5ppm/C #iNet-R-1K ±2.5V
  0.1 mSec ±(0.056% + 0.1uA) 4.05K        
  1.0 mSec ±(0.056% + 0.1uA) 0.74K        
±1.2mA 0 mSec ±(0.055% + 0.20uA) 17.17K 1K Ω 0.05%, 5ppm/C #iNet-R-1K ±1.2V
  1.0 mSec ±(0.055% + 0.04uA) 0.74K        
±500uA 0.1 mSec ±(0.056% + 0.02uA) 2.48K 10K Ω 0.05%, 5ppm/C #iNet-R-10K ±5V
  1.0 mSec ±(0.056% + 0.01uA) 0.67K        
±600uA 0 mSec ±(0.056% + 0.12uA) 15.02K 1K Ω 0.05%, 5ppm/C #iNet-R-1K ±600mV
  0.1 mSec ±(0.056% + 0.04uA) 3.85K        
  1.0 mSec ±(0.056% + 0.02uA) 0.73K        
±800uA 0.1 mSec ±(0.055% + 0.19uA) 2.08K 120 Ω 0.05%, 5ppm/C #iNet-R-120 ±150mV
  1.0 mSec ±(0.055% + 0.09uA) 0.63K        
±120uA 0.1 mSec ±(0.058% + 0.007uA) 2.40K 10K Ω 0.05%, 5ppm/C #iNet-R-10K ±1.2V
  1.0 mSec ±(0.058% + 0.004uA) 0.67K        
±80uA 0.1 mSec ±(0.058% + 0.016uA) 1.92K 1K Ω 0.05%, 5ppm/C #iNet-R-1K ±80mV
  1.0 mSec ±(0.058% + 0.008uA) 0.61K        
0 to 24mA 0 mSec ±(0.016% + 6.0uA) 24.70K 33 Ω 0.01%, 5ppm/C contact disti ±1.2V
  1.0 mSec ±(0.016% + 1.1uA) 0.76K        

 

Current Specification Conditions, iNet-600 & iNet-601
  • The iNet-600 & iNet-601 module supports quantity 8 Current devices wired Differential or 16 wired Single-Ended.
  • Absolute Accuracy is specified as a percentage of measured value PLUS a fixed offset. It is the sum of the following errors components, each in their worst case (we are conservative): voltage measurement errors as described above, readback of excitation voltage error, external shunt resistor self heating error, external shunt resistor initial accuracy error, instruNet input impedance variation error, 4.5nA max leakage current (at 37°C) times user source impedance error, multiplexor current pump error. Absolute Accuracy is the same as Maximum Worst Case error. For Typical error, divide maximum by 2.
  • Absolute accuracy is shown with both a gain and offset component, where the offset error is independent of the input voltage, and the gain error is porportional to the the input. For example, if one measures 2Volts and the absolute accuracy specification is ±(1% + 3mV), then one could expect ±(1% * 2V + 3mV) = ±23mV accuracy.
  • The end user must supply one external shunt resistor per channel (i.e. this resistor is not included with i4xx or i51x products).
  • instruNet hardware measures the voltage across an external current shunt resistor. Both sides of this resistor must be within ±5 Volts of instruNet GND at all times.
 
  • These specifications assume that less than 1000 pF of external capacitance is between the end user source and GND.
  • Calibration: These specifications assume 1 year since Factory Calibration, instruNet hardware ambient temperature is between 13 and 33 °C, and instruNet hardware temperature changed 1°C since its last self-calibration 59 .

Software Programmable Parameters
Each channel provides the following independently programmable parameters:
  • A/D Signal-Averaging-Per-Point (0 ... 100mSec) 3
  • Sample-Rate (samples-per-second-per-channel) 17
  • Digital IIR Filter (LowPass, HighPass, BandPass, or BandStop) 55
  • Voltage Measurement Range (±20mV ... ±10V) 1
  • Sensor Type 13
  • Min/Max uA Range 11
  • Single-Ended or Differential Wiring
  • External End-User-Supplied Shunt Resistor resistance (Ω) 15

More Information


 
Resistance Measurement
Absolute Accuracy Specifications, iNet-600 & iNet-601

 

Measurement
Range 11
Signal
Averaging Per Point
(mSec) 3
Absolute Accuracy
(Max Gain + Offset Error) 38c
Max Multi-
Channel Aggregate Sample Rate (s/sec/agg)
18
External Shunt Resistor
(Ω) 15
Shunt Resistor Initial Accuracy
(%) and Temp Drift
(ppm/C)
16
Example Shunt
Resistor Product 100
Voltage
Range 1
0 to 33 Ω 0.1 mSec ±(0.067% + 0.008 Ω) 2.08K, i423 is faster 1K Ω 0.05%, 5ppm/C #iNet-R-1K ±150mV
  1.0 mSec ±(0.066% + 0.004 Ω) 0.63K        
0 to 100 Ω 0 mSec ±(0.072% + 0.028 Ω) 20.20K 1K Ω 0.05%, 5ppm/C #iNet-R-1K ±300mV
  0.1 mSec ±(0.068% + 0.010 Ω) 4.27K        
  1.0 mSec ±(0.067% + 0.005 Ω) 0.75K        
0 to 330 Ω 0 mSec ±(0.083% + 0.06 Ω) 24.51K 1K Ω 0.05%, 5ppm/C #iNet-R-1K ±1.2V
  0.1 mSec ±(0.074% + 0.02 Ω) 4.27K        
  1.0 mSec ±(0.072% + 0.01 Ω) 0.76K        
0 to 1K Ω 0 mSec ±(0.113% + 0.11 Ω) 24.74K 1K Ω 0.05%, 5ppm/C #iNet-R-1K ±2.5V
  0.1 mSec ±(0.091% + 0.04 Ω) 4.27K        
  1.0 mSec ±(0.085% + 0.02 Ω) 0.76K        
0 to 3300 Ω 0 mSec ±(0.114% + 0.4 Ω) 24.74K 3.3K Ω 0.05%, 5ppm/C #iNet-R-3300 ±2.5V
  1.0 mSec ±(0.091% + 0.1 Ω) 0.76K        
0 to 10K Ω 0.1 mSec ±(0.131% + 0.1 Ω) 4.27K 3.3K Ω 0.05%, 5ppm/C #iNet-R-3300 ±2.5V
  1.0 mSec ±(0.122% + 0.1 Ω) 0.76K        
0 to 100 Ω 0 mSec ±(0.032% + 0.028 Ω) 20.20K 1K Ω 0.01%, 5ppm/C contact disti ±300mV
  0.1 mSec ±(0.028% + 0.010 Ω) 4.27K        
  1.0 mSec ±(0.027% + 0.005 Ω) 0.75K        

 

Resistance Specification Conditions, iNet-600 & iNet-601
  • The iNet-600 & iNet-601 module supports quantity 8 Resistance devices wired Differential or 16 wired Single-Ended.
  • Absolute Accuracy is specified as a percentage of measured value PLUS a fixed offset. It is the sum of the following errors components, each in their worst case (we are conservative): voltage measurement errors as described above, readback of excitation voltage error, external shunt resistor self heating error, external shunt resistor initial accuracy error, instruNet input impedance variation error, 4.5nA max leakage current (at 37°C) times user source impedance error, multiplexor current pump error. Absolute Accuracy is the same as Maximum Worst Case error. For Typical error, divide maximum by 2.
  • Absolute accuracy is shown with both a gain and offset component, where the offset error is independent of the input voltage, and the gain error is porportional to the the input. For example, if one measures 2Volts and the absolute accuracy specification is ±(1% + 3mV), then one could expect ±(1% * 2V + 3mV) = ±23mV accuracy.
  • The end user must supply one external shunt resistor per channel (i.e. this resistor is not included with i4xx or i51x products).
  • These specifications assume that less than 1000 pF of external capacitance is between the end user source and GND.
  • instruNet provides a fixed 3.3V excitation voltage which is accurately readback in order to calculate Ω.
  • These specifications assume an i51x Wiring Box is attached to the i4xx Module, and that the device leads are attached to the i51x screw terminals (for accurate readback of 3.3Vref). The i51x can be attached directly to the i4xx front panel; or a cable can be placed between the i4xx and i51x wiring box (e.g. ≤ 5meters, 44 wire, point-to-point) without degradation of accuracy.
 
  • Calibration: These specifications assume 1 year since Factory Calibration, instruNet hardware ambient temperature is between 13 and 33 °C, and instruNet hardware temperature changed 1°C since its last self-calibration 59 .

Software Programmable Parameters
Each channel provides the following independently programmable parameters:
  • A/D Signal-Averaging-Per-Point (0 ... 100mSec) 3
  • Sample-Rate (samples-per-second-per-channel) 17
  • Digital IIR Filter (LowPass, HighPass, BandPass, or BandStop) 55
  • Voltage Measurement Range (±20mV ... ±10V) 1
  • Sensor Type 13
  • Min/Max Ω Range 11
  • Single-Ended or Differential Wiring
  • External End-User-Supplied Shunt Resistor resistance (Ω) 15

More Information